BNR10 HQ1 series

Product parameters
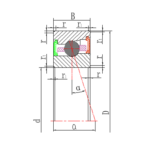
PDF Download Inquiry Bearing model External dimensions (mm) Rated load (kN) Position of action point (mm) Extreme speed (r/min) Mass (kg) ≈
d D B r Min r1 Min Cr Cor a Grease Oil