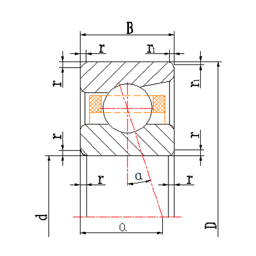
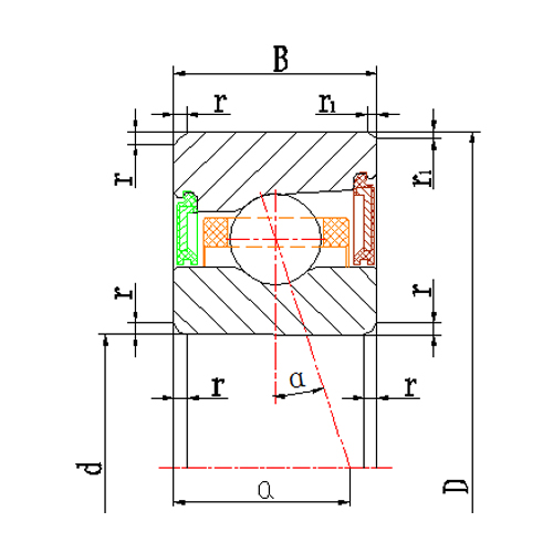
719 series

Product parameters
PDF Download Inquiry Bearing model External dimensions (mm) Rated load (kN) Contact angle (°) Position of action point (mm) Extreme speed (r/min) Mass (kg) ≈
d D B r min r1 min Cr Cor α a Grease Oil